Err

Pièces détachées Honda EU70iS – Vue éclatée & composants d'origine

Pièces détachées Honda EU70iS – Vue éclatée & compatibilité assurée

Retrouvez toutes les pièces détachées OEM Honda pour votre groupe électrogène EU70iS. Accédez à nos schémas techniques et vues éclatées détaillées pour identifier précisément les composants : filtres à air et huile, bougies, joints, tableaux de bord, roues, capots, démarreurs, câbles, etc.

Chaque pièce est rigoureusement sélectionnée dans le catalogue Honda, assurant une compatibilité parfaite avec votre modèle. Les vues éclatées facilitent le repérage et garantissent une commande précise et sécurisée dès la première tentative.


Pourquoi commander chez nous ?

  • Vues éclatées officielles Honda – facilite la recherche et réduit les erreurs de commande 
  • Pièces Honda authentiques – performance, durabilité et sécurité garanties
  • Large catalogue : filtres, bougies NGK, joints, tableaux, châssis et accessoires
  • Stock réel en France – expédition rapide
  • Assistance technique dédiée pour vous aider à choisir la bonne pièce

Simplifiez l'entretien et la réparation de votre Honda EU70iS avec des composants d'origine, et travaillez en toute tranquillité grâce à nos aides au repérage visuel.

ARBRE A CAMES EU70is HONDA
Pièce détachée d'origine Honda
CADRE EU70is HONDA
Pièce détachée d'origine Honda
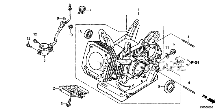
CULASSE EU70is HONDA
Pièce détachée d'origine Honda
DEMARREUR EU70is HONDA
Pièce détachée d'origine Honda
ETIQUETTES EU70is HONDA
Pièce détachée d'origine Honda
FILTRE A AIR EU70is HONDA
Pièce détachée d'origine Honda
GENERATRICE EU70is HONDA
Pièce détachée d'origine Honda
INVERSEUR EU70is HONDA
Pièce détachée d'origine Honda
KIT SUSPENSEUR EU70is HONDA
Pièce détachée d'origine Honda
OUTILS EU70is HONDA
Pièce détachée d'origine Honda
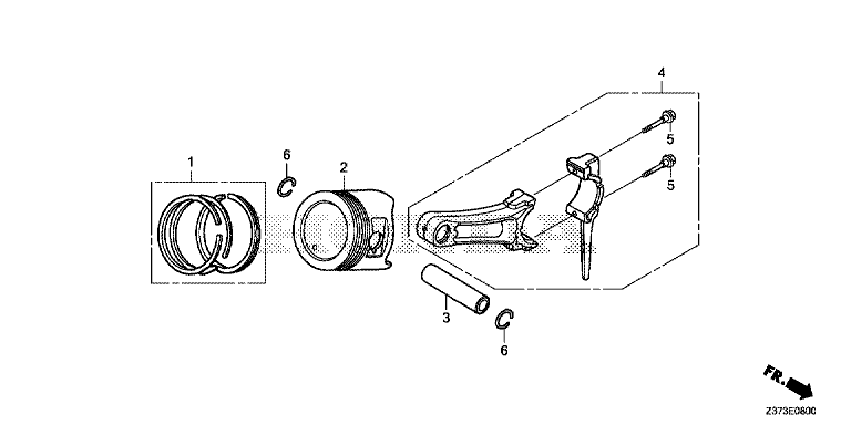
PISTON BIELLE EU70is HONDA
Pièce détachée d'origine Honda
POIGNEE ROUE EU70is HONDA
Pièce détachée d'origine Honda
SILENCIEUX EU70is HONDA
Pièce détachée d'origine Honda
VILEBREQUIN EU70is HONDA
Pièce détachée d'origine Honda
VOLANT EU70is HONDA
Pièce détachée d'origine Honda